Управление двигателем при помощи смартфона
Общая схема решения
1. Организация связи между ПЛК и HMI по каналу Ethernet.
Для организации связи между программируемым логическим контроллером Omron CP1L-E и HMI Omron NB7 по каналу Ethernet воспользуемся программным обеспечением NB-Designer от компании Omron. Из списка слева выберем используемые нами панель оператора (HMI) и ПЛК. Интерфейс связи выбираем Ethernet. (Рис.1)
Рис. 1
В параметрах HMI указываем: IP-адрес: 192.168.250.1; Маска подсети: 255.255.255.0 (Рис. 2)
Рис. 2
В параметрах ПЛК указываем: IP-адрес: 192.168.250.2; Порт: 9600; ID узла:2 (Рис. 3)
Рис. 3
2. Реализация управления частотным преобразователем с HMI по сети Modbus RTU
В приведенном ниже примере используется ПЛК CP1L-E от компании Omron с дополнительным последовательным модулем CP1W-CIF11 для связи с преобразователем частоты MX2 по сети Modbus.
Преобразователь MX2 будет полностью управляться командами Modbus по последовательной линий связи RS485, поэтому не требуется дополнительная проводка ввода/вывода. Проводка коммуникационной связи подключается к клеммам «SN» и «SP» преобразователя частоты MX2 и винтовым клеммам модуля связи CP1W-CIF11.
Для подключения CP1W-CIF11 к преобразователю частоты MX2 выполним следующие шаги:
- Установите DIP-переключатель в положение ON (вправо) для клеммного резистора MX Этот переключатель обозначен как SW1, и его местоположение показано на рисунке ниже (Рис. 4 слева).
- Установите DIP-переключатели на задней панели устройства CP1W-CIF11 в соответствии с рисунком ниже (Рис. 4 справа).
Рис. 4
- Подключите клемму MX2 с маркировкой «SN» к клемме CP1W-CIF11 c маркировкой «RDA-».

- Подключите клемму MX2 с маркировкой «SP» к клемме CP1W-CIF11 c маркировкой «RDA+» (Рис. 5).
Рис. 5
По умолчанию MX2 настроен для приема задания скорости и запускает командные сигналы от встроенной клавиатуры передней панели и внешних цифровых входных сигналов. Для того, чтобы MX2 полностью управлялся через Modbus, изменим следующие параметры (см. Рис 6) преобразователя частоты через его переднюю панель. Обязательно перезагрузите ПЧ, чтобы изменения вступили в силу.
Рис. 6
В данном проекте используются следующие настройки Modbus: скорость передачи данных 9600 бит/с, 8 бит данных, 1 стоповый бит, отсутствие контроля четности, сетевой адрес (номер узла): 1.
Для программирования Omron CP1L-E используется программное обеспечение CX-Programmer. Соединим наш ПК с ПЛК при помощи Ethernet кабеля. При создании проекта укажем модель нашего ПЛК и тип соединения: Ethernet.
В параметрах Ethernet укажем IP адрес 192.168.250.2 и номер порта 9600. (см. Рис 7)
Рис. 7
Программа ПЛК полностью закомментирована для легкого понимания функциональности и работы (Рис. 8).Она включает функциональный блок, который обеспечивает контроль и мониторинг ПЧ MX2 с использованием протокола Modbus.
Рис. 8
В руководстве пользователя описаны переменные, которые используются в данной программе.
В нашем проекте, область данных ПЛК, в которой будут хранится переменные для управления ПЧ: D.
Переменная, отвечающая за частоту вращения двигателя, хранится в адресе D101. Принимает значения от 0 до 5000 (Гц).
Скомпилируем проект и загрузим его с ПК на ПЛК с помощью Ehternet кабеля.
Создадим проект для HMI, чтобы с него заносить нужные нам значения в область памяти ПЛК (Рис 9).
Рис. 9
Двойным щелчком по главному экрану откроем меню и установим белый цвет фона. Загрузим изображения фирменного стиля моего университета с помощью меню: Рисование → Новый графический объект. Укажем тип изображения: растровый. Добавим его в проект при помощи функционального компонента: растровый объект (Рис. 10).
Рис. 10
Добавим кнопку запуска двигателя. Из бокового меню выберем: Компоненты ПЛК→Установка состояния бита. В параметрах укажем тип адреса: D_bit, адрес: 100.00 (Рис. 11).
Рис. 11
Добавим поле ввода данных частоты вращения двигателя. Из бокового меню выберем: Компоненты ПЛК → Ввод числа. В параметрах укажем тип адреса: D, адрес: 101 (Рис. 12).
Рис. 12
Для добавления текста перейдем в пункт меню: Рисование → Статический текст.
В верней панели ПО NB-Designer перейдем: Инструменты → Имитация в автономном режиме (Рис 13). При нажатии компонента «Ввод числа» появится экранная клавиатура для ввода частоты вращения двигателя.
Рис. 13
Скомпилируем проект и загрузим с ПК в HMI при помощи USB кабеля.
Теперь мы можем управлять частотным преобразователем MX2 с HMI NB7.
3. Организация доступа к HMI NB7 через web-интерфейс.
Перейдем в пункт меню: Инструменты → Диспетчер системы. В меню слева выберем: веб-интерфейс (Рис. 14).
Рис. 14
Имя пользователя и пароль для доступа к панели в нашем демо-проекте оставим стандартными: default. Для включения веб интерфейса необходимо добавить компонент «Установка состояния бита», который будет записывать бит данных в адрес LB9175. Если в данной ячейке памяти будет хранится «1» — веб-интерфейс включен, если «0» — выключен (Рис.
15).
Рис. 15
Скомпилируем проект и загрузим с ПК в HMI при помощи USB кабеля.
Соединим HMI NB7 с ПЛК CP1L-E с помощью роутера.
В настройках роутера указываем: IP-адрес: 192.168.250.3; Маска подсети: 255.255.255.0
Для примера рассмотрим управление HMI при помощи смартфона. Подключимся к сети Wi-Fi роутера D-Link DIR-615. Откроем браузер и перейдем по адресу HMI в сети (192.168.250.1) (cм. Раздел 2). Введем имя пользователя и пароль (default). Теперь мы можем непосредственно управлять частотным преобразователем с помощью смартфона (Рис. 16).
Документы:
Руководство пользователя CPL1E+MX2 Modbus
Программа ПЛК
Управление двигателем постоянного тока | joyta.ru
Чтобы двигатель постоянного тока начал вращаться, ему необходимо обеспечить нужное количество энергии. Как правило, для маломощных двигателей достаточно несколько ватт.
Блок управления (микроконтроллер), который принимает решения о запуске двигателя, не может непосредственно управлять двигателем, то есть обеспечить необходимую мощность со своего вывода. Это связано с тем, что порты микроконтроллера имеют очень ограниченную нагрузочную способность (максимальный ток на выходе микроконтроллера обычно не более 20 мА).
Поэтому нужен усилитель мощности — устройство, которое может на своем выходе генерировать сигнал мощностью большей, чем мощность на его входе. Такими устройствами являются транзистор и реле, которые прекрасно подходят для управления двигателем постоянного тока.
Управление двигателем при помощи биполярного транзистора
Самый простой способ приведения в действие двигателя показан ниже:
Биполярный транзистор используется в качестве переключателя. Резистор R необходимо подобрать таким, чтобы в худшем случае (потенциал базы равен потенциалу эмиттера) через него протекал ток, не превышающий максимальный ток порта микроконтроллера.
Для того чтобы подобрать подходящий транзистор, нам нужно знать максимальный ток во время пуска или остановки двигателя, и ток во время нормальной его работы. Исходя из этого, мы подберем транзистор с соответствующим током коллектора и его максимальное значение.
Следует также обратить внимание на мощность, выделяющуюся на транзисторе (P = Uкэ * Iк). Несмотря на то, что транзистор в данном случае работает в состоянии насыщения и напряжение Uкэ часто не превышает 1В, коллекторный ток все же велик (около 0,5 А для двигателя среднего размера) и, следовательно, мощность, излучаемая на транзисторе может потребовать от нас установки радиатора.
Другой проблемой при применении биполярных транзисторов, может быть, слишком большой ток базы. Соотношение токов выходного сигнала к входному такого транзистора — это чаще всего 100 (это отношение называется коэффициентом усиления по току и обозначается или hfe ). Но, к сожалению, когда транзистор работает в состоянии насыщения, этот коэффициент сильно снижается.
Это приводит к тому, что если мы хотим, чтобы ток коллектора имел большое значение, это может потребовать большего тока, чем 20 мА, то есть больше, чем составляет нагрузочная способность порта микроконтроллера. В таких случаях решением может быть использование комбинации транзисторов – транзистор Дарлингтона:
Такая система ведет себя как один транзистор с большим значением усиления тока и малой скоростью работы.
Несколько слов об индуктивных нагрузках
Поскольку двигатель является индуктивной нагрузкой, мы должны быть осторожны. Если через обмотку течет ток, и мы внезапно остановим этот поток, то на выводах обмотки временно появляется большое напряжение. Это напряжение может привести к повреждению транзистора (в представленной схеме выше) вызывая пробой перехода база-коллектор. Кроме того, это может создавать значительные помехи. Для предотвращения этого необходимо параллельно с индуктивной нагрузкой подключить диод:
Во время нормальной работы двигателя диод смещен в обратном направлении.
Отключение питания электродвигателя вызывает нарастание напряжения на катушке, при этом диод будет смещен в прямом направлении, благодаря чему произойдет разряд излишней энергии накопленной в катушке.
Диод следует подобрать такой, чтобы он выдерживал обратное напряжение во время нормальной работы двигателя. Такую защиту можно применять как при использовании биполярных транзисторов, так и MOSFET. Так же рекомендуется использовать диод и в работе с электромагнитным реле, для предотвращения раннего износа контактов.
Управление двигателем при помощи MOSFET транзистора
Так же можно управлять постоянным двигателем с помощью полевого транзистора MOSFET:
Он должен быть с каналом обогащенного типа. Основным преимуществом такого транзистора является практически отсутствие входного тока. Он имеет небольшое активное сопротивление канала (доли ома), благодаря чему потери мощности в транзисторе не большие. Недостатком является чувствительность к электростатическим разрядам, которые могут вывести транзистор из строя.
Так как ток стока может достигать (для среднего транзистора) десятков ампер и, имея практически нулевой входной ток, MOSFET транзисторы отлично подходят в качестве усилителя мощности и часто являются лучшей альтернативой, чем биполярные. Они так же должны быть защищены диодами от индуктивных всплесков, так как это может привести к пробою между затвором и каналом (напряжение пробоя составляет несколько десятков вольт).
Управление двигателем при помощи реле
Если вам необходимо управление двигателем постоянного тока, и вы знаете, что частота переключения не будет слишком большая (ниже 20 Гц), то вы можете для коммутации использовать реле (реле не подходят для управления ШИМ). Преимуществом такого решения является, прежде всего, малое выделение тепла.
Существуют малогабаритные реле способные управлять токами до 10 А ! Для таких больших токов, потери мощности в реле являются приемлемыми, но для небольших токов хуже. Катушка управления контактами реле можно работать даже от нескольких сотен мА.
Так что нет никакого смысла в использовании такого реле для управления током подобной величины. К счастью, есть отдельные экземпляры, которые потребляют ток около 40 мА и это уже гораздо лучше.
Если речь идет о напряжении управления реле, то оно бывает от 3 до 24 В. Как мы уже писали ранее, максимальный выходной ток микроконтроллера 20 мА, а это слишком мало, чтобы управлять реле напрямую. Поэтому для управления необходимо использовать транзистор. Схема такого подключения, как правило, выглядит следующим образом:
Так и так, нам нужен транзистор. Следует, отметить, что в данном случае выделяется гораздо меньше тепла, чем на схеме, основанной только на транзисторе, так как через транзисторный ключ в этой системе течет небольшой ток, а само реле почти не рассеивает энергию в выходной цепи.
Защитный диод на реле не является обязательным. Его наличие зависит от силы тока, индуктивности катушки и максимального напряжения Uкэ транзистора. А вот наличие диода в выходной цепи больше зависит от того, хотим ли мы продлить срок службы контактов реле.
В конце рассуждений о реле приведем ситуацию, когда данный вид управления двигателем является оптимальным. Предположим, что мы хотим управлять двигателем, у которого номинальное рабочее напряжение 2,5 В и ток 3А и работает он от источника напряжением 2,5 В (переключение с небольшой частотой). Если вы будете использовать усилитель, построенный на транзисторе, то на выходе мы будем иметь падение напряжения около 1 В, что в данном случае является слишком большим значением. При использовании же реле у нас никакого падения напряжения не будет.
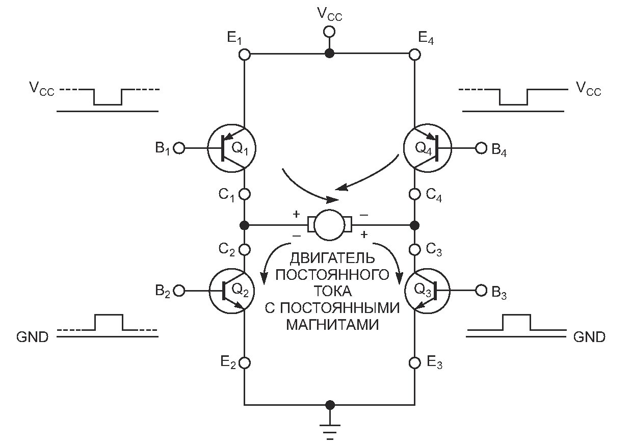
Управление двигателем при помощи H-моста
Решения, которые мы привели до этого, имеют основной недостаток — с их помощью не возможно управлять двигателем в двух направлениях! Такая необходимость, скорее всего, нам пригодиться, например, при строительстве роботов. H-моста — это конструкция, которая может быть построена как из обоих типов транзисторов, как и с реле.
Буква «H» исходит из того, что четыре реле и двигатель в середине образуют на схеме букву «H».
Подробно о том, как работает H-мост можно почитать здесь
Управление шаговым двигателем
Шаговые двигатели, так же как и коллекторные, состоят в основном из катушек. То есть для вращения нужно пропустить ток через катушки. Таким образом, все из представленных схем управления двигателями могут быть использованы и для управления шаговым двигателем. (все, кроме H-моста)
Разница в схеме усилителя мощности для шаговых двигателей заключается в том, что здесь немного другие напряжения и токи, и также в основном требуется 4 переключателя на один двигатель (когда двигатель имеет пять контактов).
Номинальное рабочее напряжение, в основном, находится в диапазоне 9 — 24 В. При таких не малых напряжениях мы имеем дело также с большим током: 0,3 — 1A на одну фазу! Ниже приведен пример подключения шагового двигателя с 5 выводами:
В роли ключей мы можем также использовать MOSFET — транзисторы. Это даже более простое решение.
Так как нам нужно до 4-х транзисторов, которые занимают довольно много места на плате, хорошим решением будет использовать микросхему ULN2003A.
Управление двигателем — Энциклопедия по машиностроению XXL
Сигналы (4) подаются на управление двигателями манипулятора с коэффициентом усиления k [c.47]Координатный преобразователь 10 представляет собой вращающийся трансформатор, посылающий на обмотки индуктивных датчиков 8 ж 11 углов поворота гироскопов 6 и 9 напряжения, пропорциональные синусу и косинусу угла поворота платформы вокруг оси г относительно внутренней рамки 3 карданова подвеса. В результате разгрузочные устройства каналов управления двигателями 13 я 21 с помощью синусно-косинусного вращающегося трансформатора-преобразователя координат 10 формируются таким образом, что моменты, развиваемые двигателями 13 я21, соответствуют функциональным зависимостям (XX.8), указанным в ХХ.1. [c.479]
Эксплуатационная экономичность транспортных двигателей повышается, если их мощность используется в условиях максимальной загрузки.
С этой целью создаются двигатели, у которых при уменьшении нагрузки отдельные цилиндры выключаются из работы. Для уменьшения механических потерь больше внимания следует уделять рациональному выбору частоты вращения, совершенствованию конструкции вспомогательных агрегатов и выключению их из работы на отдельных режимах, когда их работа не нужна. Например, на отдельных режимах работы двигателя можно выключать водяной насос и вентилятор. В настоящее время для улучшения экономичности используют уменьшение частоты вращения и увеличение хода поршня. Эксплуатационный расход топлива ДВС можно существенно уменьшить путем совершенствования систем управления двигателем, в том
[c.249]В процессе эксплуатации установившиеся (равновесные) режимы двигателей часто нарушаются вследствие изменения нагрузки (например, переход с характеристики 111 на характеристику или задаваемого скоростного режима. При этом регулируемый параметр (частота вращения) отклоняется от заданных значений (точка Li вместо L).
Для восстановления режима работы регулированием осуществляется воздействие на орган управления двигателем (рейку топливного насоса или дроссельную заслонку). Например, при переходе на частичную характеристику 2 режим при характеристике потребителя IV установится в точке Е, в которой обеспечивается поддержание скоростного режима на заданном уровне.
[c.251]
Каждый автоматический регулятор имеет чувствительный элемент, предназначенный для измерения регулируемого параметра (частоты вращения, температуры охлаждающей воды и др.) и выработки воздействия на регулируемый объект. Если чувствительный элемент непосредственно связан с органом управления двигателем, то такой регулятор называют регулятором прямого действия. В зависимости от типа чувствительного элемента автоматические регуляторы двигателей могут быть механическими, пневматическими и гидравлическими или однорежимными, двухрежимными и всережимными. [c.251]
В агрегатах первого рода цепь управления (система управления двигателем) отделена от силовой цепи.
[c.275]
В однодвигательных машинах это выполняет система передаточных механизмов, соединяющих ведущие звенья отдельных механизмов с подвижным элементом двигателя. Если в состав машины входит несколько двигателей, то выполнение той же задачи обеспечивает специальная система управления двигателями, составленная из электромагнитных и электронных устройств (например, в бумагоделательных машинах). [c.280]
Условия работы электродвигателей при малых скоростях значительно ухудшаются. Из рис. 224, а, например, видно, что при уменьшении скорости мощность, развиваемая двигателем, быстро уменьшается обычно увеличиваются потери. Изменяя напряжение или включая дополнительные сопротивления в цепь статора или ротора, можно в широких пределах изменять вид зависимости Мд=Мд(со) и улучшить условия работы двигателя, Соответствующие кривые называют искусственными характеристиками. Заданную искусственную характеристику обеспечивает система управления двигателем.
[c.291]Управление двигателем (включение, выключение, реверс) осуществляется изменением самой измеряемой величины за счет обратной связи. Вследствие того, что в такой конструкции датчик разгружен от усилий на перемещение регистрирующего устройства, обеспечивается большая точность регистрации. Однако в этом случае конструкция получается более сложной по сравнению с прямым преобразованием. [c.514]
Контроль за работой двигателя осуществляется наблюдением за показаниями контрольно-измерительных приборов, смонтированных, как правило, на пульте управления двигателем. На работающем двигателе измеряют температуру масла и воды, давление масла, воды и воздуха, частоту вращения вала двигателя, напряжение на клеммах аккумулятора и некоторые другие параметры. Одни параметры контролируют постоянно, другие — периодически. Температуру воды и масла проверяют через каждый час работы, за давлением масла ведут непрерывное наблюдение. [c.200]
Автоматическое управление двигателем для выбора деформации и поддержания постоянной нагрузки на образец происходит следующим образом.
При опускании подвески иа 25 мм рычаг 13 отклоняется влево и замыкает контакты 14, включается электродвигатель. Когда подвеска возвращается в исходное положение, контакты 15 замыкаются и двигатель отключается.
[c.88]
Кроме уже рассмотренного назначения — преобразования заданных перемещений в распределенную последовательность командных импульсов, интерполяторы служат для изменения скорости подачи. Кроме приращений координат по осям в импульсах, в программе задают еще и время отработки команды. Интерполятор способен изменять число импульсов, выдаваемых в единицу времени. Он посылает на управление двигателем станка заданное количество импульсов точно за такое время, какое необходимо для получения заданной скорости подачи, т. е. обеспечивает регулирование скорости рабочего движения. [c.171]
Для роторов, работающих на скоростях выше критической, если их неуравновешенность изменяется во время работы, устройство содержит центробежный регулятор 4, отрегулированный таким образом, что по достижении критической скорости настройка системы управления двигателя 7 с помощью контактов и Kj изменяется на обратную.
Этим компенсируется то обстоя-
[c.105]
Для роторов, работающих на скоростях, выше критической, если их неуравновешенность изменяется во время работы, устройство содержит регулятор 2, например типа центробежного, отрегулированного таким образом, чтобы по достижении критической скорости настройка системы управления двигателей 5 и 9 изменялась на обратную. Этим компенсируется то обстоятельство, что чувствительные элементы на закритической скорости продолжают показывать направление вектора прогиба, которое при этом противоположно вектору неуравновешенности. [c.110]
Посты управления двигателей 10 — 343 [c.209]
Всё управление двигателем производится маневровым штурвалом 1, на валу 13 кото- [c.345]
В вагонных автобусах необходимо дистанционное управление двигателем, сцеплением и коробкой передач. Наибольшие затруднения в этом отношении представляет автобус с задним расположением силового агрегата.
Несколько ухудшаются при этом и условия
[c.35]
Электропривод — машинное устройство, служащее для приведения в движение рабочих машин. Состоит из трёх основных звеньев 1) электродвигателя (очень редко — электромагнита) 2) аппаратуры для управления двигателем 3) механических передач от двигателя к рабочей машине. Привод с электродвигателем называется электродвигательным, с электромагнитом — электромагнитным. Электромагнитный привод применяется сравнительно редко и обычно в практике под электроприводом понимают электродвигательный привод. [c.1]
Решив указанные вопросы, а иногда ещё и до предварительного выбора мощности, проектируют автоматическую схему управления двигателем, т. е. цепи управления для схемы главной цепи двигателя, намеченной ранее. При этом схема должна осуществлять принятый при расчёте комплекс механических характеристик привода. В цепях управления предусматривают также все необходимые аппараты для защиты и блокировки отдельных цепей двигателя или отдельных движений рабочей машины.
[c.3]Реостаты и контроллеры для ручного управления электроприводами. Для ручного управления двигателями применяются реостаты и контроллеры. Реостаты могут быть разделены на четыре основных категории пусковые, регулирующие, пуско-регули-рующие и шунтовые регулирующие. [c.49]
Купроксные выпрямители. Купроксные выпрямители служат для выпрямления переменного тока и используются для подачи полученного постоянного тока в схемы управления двигателями или в цепь асинхронных двигателей при динамическом торможении. [c.52]
Электронная лампа или тиратрон играют роль усилителя импульса и далее непосредственно или с дополнительным последующим усилением воздействуют на тот или другой элемент цепи управления двигателем. Детальная структура ионно-электронной схемы в промышленном электроприводе может быть весьма разнообразной. [c.61]
Полуавтоматическое управление, наряду с дистанционным управлением, даёт возможность при систематическом увеличении скоростей и количества машин у прокатного стана производить постепенное сокращение обслуживающего персонала.
Полуавтоматическое управление достигается в результате совершенствования схем контакторного управления двигателей, при котором часть функций управления и защиты автоматизируется.
[c.940]
Трансформатор Тр осуществляет понижение напряжения до 36 в, которое используется для освещения рабочего места. При перегрузках, возникающих при больших подачах, двигатель начинает перегреваться, и ток, протекающий через электродвигатель, повышается. На повышение тока реагирует теплоюе реле РТ, которое своим контактом размыкает цепь управления двигателем. [c.319]
Если даже представить себе идеальное разгрузочное устройство, действующее без запаздывания, то и в этом случае для обеспечения нужного качества работы гиростабилизатора нельзя ограничиться формированием разгрузочного устройства, развивающего момент Elfi, пропорциональный углу р отклонения оси г ротора гироскопа от направления перпендикуляра к плоскости наружной рамки его карданова подвеса.
Дело в том, что в целях уменьшения угла р поворота гироскопа вокруг оси х прецессии стремятся по возможности увеличить коэффициент усиления по напряжению сигнала управления двигателем. Однако согласно формуле (XI.19) увеличение коэффициента ограничено условием устойчивости системы, тем более, что в целях уменьшения возмущения от переносного поворота двигателя вместе с самолетом (см. гл. XVII) передаточное число г редуктора разгрузочного двигателя выбирают возможно меньшим, а коэффициент Сд противоэлектродвижущей силы якоря двигателя всегда относительно мал.
[c.298]
Начало проектирования крупных пассажирских речных судов относится к 1936—1937 гг., когда была поставлена задача подготовить флот для канала имени Москвы, соединившего столицу Советского Союза с Волгой. Завод Красное Сормово построил для канала ряд теплоходов типа Михаил Калинин с винтовыми движителями и цельносварными корпусами (см. табл. 15). Это были комфортабельные суда с энергоустановками из двух главных двигателей по 350 л.
с., рассчитанные на 450 пассажирских мест с максимальными удобствами для пассажиров и судовых команд. Кроме того,, были построены теплоходы для обслуживания местных линий — типов оТ е-ваневский и Чкалов , вмещавшие соответственно 300 и 150 пассажиров и имевшие дистанционное управление двигателями непосредственно из ходовой рубки. Скорость судов перечисленных типов достигала 17 кж/час .
[c.292]
Еще одна возможность заключается в децентрализации питания постоянным током. При этом питание переменным током отдельных преобразователей защитных установок осуществляется от центрального генератора с регулированием потенциала, расположенного в машинной рубке (на нульте управления двигателем). В таком случае преобразователи защитных установок могут быть соединены с анодами сравнительно короткими кабелями постоянного тока. Поперечные сечения этих кабелей должны быть выбраны с таким расчетом, чтобы падение напряжения на них не превышало 1—2 В. [c.365]
Зона // несет информацию о причинах предаварийного состояния агрегата, к которым относятся открытое положение двери входного воздуш ного фильтра высокий перепад давлений на воздушном фильтре и фильтре смазочного масла нагнетателя общая загазованность или в отсеке газогенератора низкое давление топливного газа, смазочного масла засорение фильтра топливного газа неисправность вентилятора газогенератора, противопомпажной системы, подогревателя топливного газа превышение температуры на нагнетании, смазочного масла, на выхлопе газогенератора, на сливе подшипников нагнетателя неисправность кожуха газогенератора неправильное положение переключателей в центре управления двигателями превышение уровня жидкости в пылеуловителе, перепада температуры на выхлопе газогенератора низкий уровень в маслобаке смазки нагнетателя, в баке уплотнения нагнетателя, смазочного
[c.
61]
Кроме числа полюсов, угол шагового поворота зависит также от схемы управления двигателем. Она может быть трех- или шеститакт-ной, т. е. полный цикл переключения статорных обмоток может осуществляться за 3 или 6 управляющих импульсов. При шести-тактной системе частота срабатывания в 2 раза выше, чем при трехтактной. При первом такте напряжение в этом случае подается на первую обмотку статора, при втором — на первую и вторую, при третьем — только на вторую, при четвертом — на вторую и третью, при пятом — только на третью, при шестом — на третью и первую. [c.202]
На рпс. 46 показаны функциональная и структурная схемы системы управления для безунориой программной установки заготовок па ноленицах блюминга. Эта схема используется для управления двигателем постоянного тока с первичным возбуждением 166]. Число 3, определяющее заданное положение заготовки на рольганге, вводится в сумматор С из блока программы БП по сигналу l, открывающему ключ к .
В тот же сумматор постуиа-
[c.126]Механизмы выключения и включения движения. Включение и, выключение движений станка осуществляется включением и выключением соответствующей электрической или кинематической сети. Включение или выключение электродвигателя производится с помощью контакторных устройств, дающих сигнал, и зависит от типа двигателя. В двигателях переменного тока сигнал направляется в обмотку управления, а в двигателях постоянного тока— в обмотку якоря или в юбмотку возбуждения в зависимости от того, какой тип управления двигателем принят. [c.440]
Для управления двигателями постоянного тока применяется система генератор — двигатель. Регулирование возбуждения генераторов осуществляется при помощи электромашинных усилителей, работающих в каскаде с промежуточными магнитными усилителями. Для механизма шагания установлено четыре высоковольтных асинхронных электродвигателя мощностью по 260 кет. Схема предусматривает автоматическое управление механизмом шагания.
[c.79]
Для упрощения управления двигателем улучшены пусковые устройства, введены вакуумкорректоры. [c.96]
Управление двигателем производится при помощи штурвала 1 (фиг. 71), на оси которого расположена трёхклапанная распределительная коробка 2. Пуск, реверс и работа двигателя определяются различными положениями клапанов распределительной коробки. [c.345]
В последние годы в заграничной практике внедряется особый тип ионного привода, называемого, Таймотроль — тиратронное управление двигателем. Принципиальная схема [c.14]
Общие соображения. Любая схема автоматизированного электропривода [31] состоит из комплекса разнородных элементов автоматики и электродвигателей. Определённая производственная операция, необходимая в тот или другой момент в некоторой рабочей машине, выполняется электродвигателем. Переключения в цепи двигателя, нужные для этой операции, осуществляются с помощью отдельных элементов автоматики.
Отсюда получается вполне естественное деление любой схемы автоматизированного электропривода на две отдельные электрические цепи главную цепь электродвигателя или, как её называют, цепь главного тока и цепь управления или цепь вспомогательного тока. Отдельные элементы цепи управления могут включаться последовательно или параллельно в главную цепь двигателя. В зависимости от типа двигателя и тех условий, которые имеются в автоматизированной установке, указанные цепи могут включаться в одну общую сеть постоянного или переменного тока или питаться от различных источников электрической энергии. Так, в ряде установок переменного тока целесообразно применять управление двигателем на постоянном токе (например, в приводе с синхронными двигателями) из-за ббльшей надёжности и точности автоматической аппаратуры постоянного тока. При высоковольтных двигателях постоянного или переменного тока цепь управления должна питаться напряжением не выше 220 — 380 в. Это диктуется соображениями безопасности.
[c.
61]
На фиг. 1 показан стан дуо для горячей прокатки тонких листов с подъ-ёмно-качающимся столом, слумсащим для перекидки прокатываемого листа через верхний валок. Подъём и опускание стола, а также движение конвейера, служащего для подачи листов в валки, осуществляются на этом стане автоматически от фотоэлемента. При отсутствии прокатываемого листа фотоэлемент освещается идущим сверху вниз лучом света, отражаемым на фотоэлемент находящимся под станом зеркалом. Когда же к валкам подходит прокатываемый лист, то луч света листом прерывается и фотоэлемент через усилительную схему даёт требуемый импульс в схему управления двигателями подъёмного стола. [c.941]
Векторное управление асинхронным двигателем | Техпривод
Преобразователь частоты регулирует момент и скорость вращения асинхронного двигателя, используя один из двух основных методов частотного управления — скалярный или векторный. Рассмотрим подробнее особенности этих методов.
Линейная скалярная рабочая характеристика ПЧ
При работе асинхронного электродвигателя от скалярного частотного преобразователя напряжение на двигателе понижается линейно с понижением частоты. Это происходит из-за того, что применяется широтно-импульсная модуляция (ШИМ), при которой отношение действующего напряжения к частоте является константой во всем диапазоне регулирования.
Вольт-частотная (вольт-герцовая) рабочая характеристика ПЧ будет линейной, пока напряжение на возрастет до предела, определяемого напряжением питания преобразователя. Скалярное управление не позволяет двигателю развить требуемую мощность на низких частотах (мощность зависит от напряжения), и момент на валу сильно падает.
Квадратичная скалярная рабочая характеристика
В некоторых случаях, например, при работе преобразователя на мощные вентиляторы и насосы, используют квадратичную вольт-частотную характеристику с пониженным моментом, что позволяет учесть механику процесса, снизить токи, и, соответственно, потери на низких частотах.
Основной минус скалярной вольт-частотной характеристики
У линейной и квадратичной вольт-частотной зависимости, при её простоте и широком распространении, есть большой минус – падение мощности на валу, а значит падение момента и частоты вращения двигателя. При этом происходит так называемое скольжение, когда частота вращения ротора отстает от частоты вращения электромагнитного поля.
Для устранения этого эффекта используется компенсация скольжения, позволяющая скорректировать выходную частоту (обороты двигателя) при возрастании момента нагрузки. Если правильно выбрать значение компенсации, фактическая скорость вращения при большой нагрузке будет приближаться к скорости вращения на холостом ходу.
Кроме этого, в большинстве ПЧ с линейной вольт-частотной характеристикой имеется функция компенсации момента на низких скоростях. Данная функция реализуется за счет повышения напряжения на низких частотах и при неправильном применении может вызвать перегрев двигателя.
Оба параметра компенсации имеют неизменное (установленное при настройке) значение и от нагрузки не зависят.
Преимущества векторного управления
Существует множество задач, когда нужно обеспечить заданную частоту вращения, и описанный недостаток становится очень актуальным. В таких случаях применяют векторное частотное управление, при котором контроллер вычисляет напряжение, необходимое для поддержания момента, обеспечивающего стабильную частоту. В отличие от скалярного режима, здесь происходит «умное» управление магнитным потоком ротора.
Векторное управление асинхронным двигателем особенно актуально на низких частотах – ниже 10 Гц, когда рабочий момент двигателя сильно падает. Кроме того, данный метод позволяет держать стабильную скорость (с предсказуемым линейным изменением) при разгоне. Это достигается за счет получения высокого пускового момента вплоть до выхода двигателя на режим.
Важно и то, что при векторном управлении происходит сбережение электроэнергии (в некоторых случаях – до 60%), поскольку большую часть времени частотный преобразователь передает в двигатель ровно столько энергии, сколько необходимо для поддержания заданной скорости.
Различают два вида векторного управления — без датчика скорости (без обратной связи, или бессенсорное) и с обратной связью, когда в качестве датчика, как правило, используется энкодер.
Векторное управление без обратной связи
В этом случае частотный преобразователь вычисляет скорость вращения двигателя по математической модели на основе ранее введенных данных (параметров двигателя) и данных о мгновенных значениях тока и напряжения. Опираясь на полученные расчеты, ПЧ принимает решение об изменении выходного напряжения.
Перед включением векторного бессенсорного режима необходимо тщательно выставить номинальные параметры двигателя: напряжение, ток, частоту, скорость (обороты), мощность, количество полюсов, а также сопротивление обмоток и индуктивные параметры. Если какие-то значения неизвестны, рекомендуется провести автотестирование двигателя на холостом ходу. Некоторые модели векторных преобразователей частоты устанавливают параметры по умолчанию для стандартного двигателя после введения номинальных значений.
Также необходимо задать пределы временных и токовых параметров векторного управления.
Векторное управление с обратной связью
Этот режим отличается более высокой точностью управления скоростью двигателя. Обратную связь обеспечивает энкодер, который сопрягается с частотным преобразователем через дополнительный модуль.
Энкодер устанавливается на валу электродвигателя либо последующего механизма и передает данные о текущей частоте вращения. На основании полученной информации преобразователь меняет напряжение, момент и, соответственно, скорость двигателя. Стоит добавить, что при больших динамических нагрузках (частых изменениях момента) и работе на пониженных скоростях рекомендуется применение принудительного охлаждения внешним вентилятором.
Другие полезные материалы:
10 типичных проблем с частотниками
Тонкости настройки преобразователя частоты
Назначение и виды энкодеров
Lovato Electric | Energy and Automation
Choose your country Выберите страну.
..Глобальный сайт—————-CanadaChinaCroatiaCzech RepublicGermanyFranceItalyPolandRomaniaSpainSwitzerlandTurkeyUnited Arab EmiratesUnited KingdomUnited States—————-AfghanistanAlbaniaAlgeriaAmerican SamoaAndorraAngolaAnguillaAntarcticaAntigua And BarbudaArgentinaArmeniaArubaAustraliaAustriaAzerbaijanBahamasBahrainBangladeshBarbadosBelarusBelgiumBelizeBeninBermudaBhutanBoliviaBosnia And HerzegovinaBotswanaBouvet IslandBrazilBritish Indian Ocean TerritoryBrunei DarussalamBulgariaBurkina FasoBurundiCambodiaCameroonCanadaCape VerdeCayman IslandsCentral African RepublicChadChileChinaChristmas IslandCocos (keeling) IslandsColombiaComorosCongoCongo, The Democratic Republic Of TheCook IslandsCosta RicaCote D’ivoireCroatiaCubaCyprusCzech RepublicDenmarkDjiboutiDominicaDominican RepublicEast TimorEcuadorEgyptEl SalvadorEquatorial GuineaEritreaEstoniaEthiopiaFalkland Islands (malvinas)Faroe IslandsFijiFinlandFranceFrench GuianaFrench PolynesiaFrench Southern TerritoriesGabonGambiaGeorgiaGermanyGhanaGibraltarGreeceGreenlandGrenadaGuadeloupeGuamGuatemalaGuineaGuinea-bissauGuyanaHaitiHeard Island And Mcdonald IslandsHoly See (vatican City State)HondurasHong KongHungaryIcelandIndiaIndonesiaInternationalIran, Islamic Republic OfIraqIrelandIsraelItalyJamaicaJapanJordanKazakstanKenyaKiribatiKorea, Democratic People’s Republic OfKorea, Republic OfKosovoKuwaitKyrgyzstanLao People’s Democratic RepublicLatviaLebanonLesothoLiberiaLibyan Arab JamahiriyaLiechtensteinLithuaniaLuxembourgMacauMacedonia, The Former Yugoslav Republic OfMadagascarMalawiMalaysiaMaldivesMaliMaltaMarshall IslandsMartiniqueMauritaniaMauritiusMayotteMexicoMicronesia, Federated States OfMoldova, Republic OfMonacoMongoliaMontenegroMontserratMoroccoMozambiqueMyanmarNamibiaNauruNepalNetherlandsNetherlands AntillesNew CaledoniaNew ZealandNicaraguaNigerNigeriaNiueNorfolk IslandNorthern Mariana IslandsNorwayOmanPakistanPalauPalestinian Territory, OccupiedPanamaPapua New GuineaParaguayPeruPhilippinesPitcairnPolandPortugalPuerto RicoQatarReunionRomaniaRussian FederationRwandaSaint HelenaSaint Kitts And NevisSaint LuciaSaint Pierre And MiquelonSaint Vincent And The GrenadinesSamoaSan MarinoSao Tome And PrincipeSaudi ArabiaSenegalSerbiaSeychellesSierra LeoneSingaporeSlovakiaSloveniaSolomon IslandsSomaliaSouth AfricaSouth Georgia And The South Sandwich IslandsSouth SudanSpainSri LankaSudanSurinameSvalbard And Jan MayenSwazilandSwedenSwitzerlandSyrian Arab RepublicTaiwan, Province Of ChinaTajikistanTanzania, United Republic OfThailandTogoTokelauTongaTrinidad And TobagoTunisiaTurkeyTurkmenistanTurks And Caicos IslandsTuvaluUgandaUkraineUnited Arab EmiratesUnited KingdomUnited StatesUnited States Minor Outlying IslandsUruguayUzbekistanVanuatuVenezuelaViet NamVirgin Islands, BritishVirgin Islands, U.
s.Wallis And FutunaWestern SaharaYemenZambiaZimbabwe
LOVATO Electric S.p.A. Via Don E. Mazza, 12 — 24020 Gorle (BG) ITALY Cap. Soc. Vers. Euro 3.200.000 Cod. Fisc. e Part. IVA n. 01921300164 ID. NO. IT 01921300164
| Максимальное Напряжение Питания | 3.6В |
| Минимальное Напряжение Питания | 2.2В |
| Количество Выводов | 100вывод(-ов) |
| Количество I/O | 78I/O |
| Скорость ЦПУ | 120МГц |
| Стиль Корпуса Микроконтроллера | TQFP |
| Размер Ядра Микроконтроллера | 32бит |
| Размер Памяти | 1МБ |
| Тип Встроенного Интерфейса | CAN, I2S, SPI, UART, USB |
| Размер Памяти RAM | 256КБ |
| Архитектура | PIC32 |
| Приложения Микроконтроллера | Управление Двигателем |
| Линейка Продукции | PIC32 Family PIC32MK Series Microcontrollers |
| Семейство Микроконтроллера | PIC32 |
| Серия Микроконтроллера | PIC32MK |
| Base Product Number | PIC32MK1024MCF100 -> |
| Connectivity | CANbus, IrDA, LINbus, PMP, QEI, SPI, UART/USART, U |
| Core Processor | MIPS32В® microAptivв„ў |
| Core Size | 32-Bit |
| Data Converters | A/D 42x12b |
| ECCN | 3A991A2 |
| EEPROM Size | 4K x 8 |
| Errata | http://www. microchip.com/mymicrochip/filehandler.a |
| HTSUS | 8542.31.0001 |
| Moisture Sensitivity Level (MSL) | 3 (168 Hours) |
| Mounting Type | Surface Mount |
| Number of I/O | 78 |
| Operating Temperature | -40В°C ~ 85В°C (TA) |
| Oscillator Type | Internal |
| Package | Tray |
| Package / Case | 100-TQFP |
| Peripherals | Brown-out Detect/Reset, DMA, IВІS, POR, Motor Cont |
| Program Memory Size | 1MB (1M x 8) |
| Program Memory Type | FLASH |
| RAM Size | 256K x 8 |
| REACH Status | REACH Unaffected |
| RoHS Status | ROHS3 Compliant |
| Series | PICВ® 32MK -> |
| Speed | 120MHz |
| Supplier Device Package | 100-TQFP (12×12) |
| Voltage — Supply (Vcc/Vdd) | 2. 2V ~ 3.6V |
| Вес, г | 3.338 |
Признаки неисправности или неисправности блока управления двигателем (ЭБУ)
Блок управления двигателем (ECU), также обычно называемый модулем управления двигателем (ECM) или модулем управления трансмиссией (PCM), является одним из наиболее важных компонентов практически всех современных автомобилей. По сути, он функционирует как главный компьютер для многих функций двигателя и управляемости автомобиля. Контроллер ЭСУД получает информацию от различных датчиков двигателя и использует эту информацию для расчета и настройки искры двигателя и топлива для достижения максимальной мощности и эффективности.
ЭБУ играет решающую роль в новых автомобилях, где многие (если не все) основные функции автомобиля управляются ЭБУ. Когда в ЭБУ возникают какие-либо проблемы, это может вызвать всевозможные проблемы с автомобилем, а в некоторых случаях даже сделать его непригодным для движения. Обычно неисправный или неисправный ЭБУ вызывает несколько ключевых симптомов, которые могут предупредить водителя о потенциальной проблеме.
1. Загорается индикатор двигателя.
Горящая лампа Check Engine — один из возможных симптомов проблемы с ЭБУ.Индикатор Check Engine обычно загорается, когда компьютер обнаруживает проблему с любым из своих датчиков или цепей. Однако бывают случаи, когда ЭБУ по ошибке загорает лампу проверки двигателя или когда проблема отсутствует. Сканирование компьютера на наличие кодов неисправностей может помочь определить, связана ли проблема с ЭБУ или где-либо еще на автомобиле.
2. Двигатель глохнет или пропускает зажигание
Еще одним признаком неисправного или неисправного ЭБУ является неустойчивое поведение двигателя. Неисправный компьютер может вызывать периодические проблемы с автомобилем, такие как заглохание или пропуски зажигания.Симптомы могут появляться и исчезать, и может казаться, что они не имеют какой-либо закономерности относительно их частоты или серьезности.
3. Проблемы с производительностью двигателя
Проблемы с производительностью двигателя — еще один симптом возможной проблемы с ЭБУ.
Если в ЭБУ возникнут какие-либо проблемы, он может нарушить настройки времени и топлива двигателя, что может отрицательно повлиять на производительность. Неисправный ЭБУ может привести к снижению топливной экономичности, мощности и ускорения автомобиля.
4. Автомобиль не заводится
Еще одним признаком неисправного или неисправного ЭБУ является то, что автомобиль не заводится или заводится с трудом.Если ЭБУ полностью выйдет из строя, он оставит автомобиль без управления двигателем и в результате не запустится и не запустится. Двигатель все еще может проворачиваться, но он не сможет запуститься без жизненно важных сигналов от компьютера. Этот симптом также может быть вызван множеством других проблем, поэтому лучше всего получить полную диагностику у профессионального специалиста, чтобы точно определить причину.
Поскольку ЭБУ играет важную роль в работе двигателя, любые проблемы с ним могут вызвать серьезные проблемы с общей функциональностью автомобиля.Поскольку компьютерные системы современных автомобилей довольно сложны и сложны, их также может быть сложно диагностировать.
По этой причине, если вы подозреваете, что в ЭБУ вашего автомобиля возникла проблема, обратитесь к профессиональному технику для осмотра автомобиля, чтобы определить, потребуется ли вашему автомобилю замена ЭБУ.
Ищете считыватель кода OBD2 для диагностики контрольной лампы двигателя?
Посмотрите десятки отличных сканеров OBD2 здесь
купить сейчас Autoblog может получать долю от покупок, сделанных по ссылкам на этой странице.Цены и доступность могут быть изменены.
| ||||||
ЭБУ (блок управления двигателем) Автомобили, ЭБУ, детали, функционирование
ЭБУ или БЛОК УПРАВЛЕНИЯ ДВИГАТЕЛЕМ — это мозг двигателя, который контролирует все функции двигателя.
Он выполняет несколько функций, включая регулирование и поддержание количества топлива и воздуха в части впрыска топлива, а также помогает увеличить мощность двигателя.
Если какие-либо проблемы возникают в электрической части или в любой другой части вашего автомобиля, вы должны проверить свой ECU. Ведь вы не рискуете, связанными с работой вашего автомобиля. И это причина, по которой он является самой важной частью автомобильной промышленности.
ЭБУ Блок управления двигателем.
(Изображение предоставлено-tun-tech.com)
Основная функция ЭБУ или блока управления двигателем — это управление последовательностью функций исполнительных механизмов двигателя внутреннего сгорания и обеспечение отличных характеристик двигателя. Блок управления двигателем также называется блоком управления силовой передачей.
В моторном отсеке ЭБУ принимает значения от множества датчиков, а затем интерпретирует эти данные с помощью многомерных карт рабочих характеристик и, таким образом, соответствующим образом регулирует исполнительные механизмы двигателя.
Это также отвечает за лучшую производительность двигателя. Модуль управления двигателем или ECM — это то же самое, что и блок управления двигателем, разница в том, что если мы назвали общую комбинированную секцию блока управления в двигателе, то мы назвали его модулем управления двигателем или ECM.
Также читайте: CRDi Система прямого впрыска топлива Common Rail
Работа ЭБУ
ECU является неотъемлемой частью EFI или электронного впрыска топлива (тип системы впрыска топлива, обычно используемый в автомобилях). Электронный впрыск топлива можно разделить на подсистемы, а именно: систему впрыска воздуха, систему подачи топлива и электронную систему управления.И отсюда запускается функция ЭБУ.
Функционирование блока управления двигателем
(image credits-energiapower.com)
Управление топливовоздушной смесью : Это одна из наиболее важных функций ЭБУ, поскольку он контролирует топливную смесь, используемую двигателем.
Он определяет количество впрыскиваемой в двигатель топливовоздушной смеси. Программа получила необходимые данные, вычисляет их и выдает соответствующее количество смеси.Он также решает, пора ли подавать топливовоздушную смесь в правильном соотношении или нет. Этот процесс также называют продолжительностью закачки.
Вы также должны увидеть
АНТИБЛОКИРОВОЧНАЯ ТОРМОЗНАЯ СИСТЕМА (АБС) И ЕЕ РАБОТА
ЧТО ТАКОЕ ТУРБОКОМПЕНСАТОР И РАБОТА С ТУРБОКОМПЕНСАТОРОМ
СТРУЙНЫЙ ДВИГАТЕЛЬ, его КОМПОНЕНТЫ и РАБОТА
Управление моментом зажигания: ЭБУ регулирует точный момент зажигания или момент зажигания, чтобы обеспечить лучшую мощность и экономичность.ЭБУ сам определяет, есть ли проблема в такте сжатия или нет, работает в соответствии с ним и устанавливает время зажигания. В основном это происходит в том случае, когда остается несгоревшая топливно-воздушная смесь, и она подвергается воздействию тепла и давления. Это приводит к детонации, также известной как Детонация или побурение .
ЭБУ обнаруживает детонацию и задерживает время искры, чтобы предотвратить его.
Управление скоростью холостого хода и изменяемыми фазами газораспределения: Большинство автомобилей также имеют встроенную систему управления в свои ЭБУ для управления скоростью холостого хода.Скорость холостого хода регулируется с помощью программируемого упора дроссельной заслонки. Помимо управления частотой вращения холостого хода, ЭБУ также контролирует время открытия или закрытия клапана в цикле двигателя. Наиболее подходящий и подходящий момент открытия и закрытия клапана помогает увеличить мощность и экономичность двигателя.
ЭБУ также увеличивает крутящий момент и л.с. Поскольку он управляет впрыском топлива в цилиндр, он запрограммирован на эффективную работу двигателя в любых условиях, когда ECU сталкивается с увеличением нагрузки, затем он инициирует сигнал для большего впрыска топлива и, таким образом, двигатели вырабатывают больше л.с.
Высокопроизводительная электроника | Блоки управления двигателем
PE3-8400A ECU, алюминиевый корпус
Номер детали: 91000300
1 075,00
Блок управления двигателем PE3-8400A — это компактная регулируемая система, которая отвечает за подачу топлива и зажигание практически для любого двигателя.Он включает в себя 8 драйверов форсунок и 4 внутренних драйвера катушек зажигания (до 8 возможных с внешними воспламенителями или интеллектуальными катушками) и поставляется в алюминиевом корпусе. ЭБУ поставляется с программным обеспечением peMonitor и peViewer.
Получите дополнительную информацию в разделе «Загрузки».
PE3-8400P ECU, водонепроницаемый корпус
Номер детали: 91000301
1 075 долл. США.00
Блок управления двигателем PE3-8400P — это компактная регулируемая система, которая отвечает за подачу топлива и зажигание практически для любого двигателя. Он включает в себя 8 драйверов форсунок и 4 внутренних драйвера катушек зажигания (до 8 возможных с внешними воспламенителями или интеллектуальными катушками). Блок управления двигателем залит пластиковым корпусом и полностью водонепроницаем. Он поставляется с программным обеспечением peMonitor и peViewer.
Получите дополнительную информацию в разделе «Загрузки».
PE3-8405A ECU, алюминиевый корпус
Номер детали: 91000302
1 075 долл. США.00
Блок управления двигателем PE3-8405A — это компактная регулируемая система, которая отвечает за подачу топлива и зажигание практически для любого двигателя. Он включает в себя 8 драйверов форсунок и 8 внешних драйверов катушек зажигания и поставляется в алюминиевом корпусе. ЭБУ поставляется с программным обеспечением peMonitor и peViewer.
Получите дополнительную информацию в разделе «Загрузки».
PE3-8405P ECU, водонепроницаемый корпус
Номер детали: 91000303
1 075 долл. США.00
Блок управления двигателем PE3-8405P — это компактная регулируемая система, которая отвечает за подачу топлива и зажигание практически для любого двигателя. Он включает в себя 8 драйверов форсунок и 8 драйверов внешней катушки зажигания. Блок управления двигателем залит пластиковым корпусом и полностью водонепроницаем. Он поставляется с программным обеспечением peMonitor и peViewer.
Получите дополнительную информацию в разделе «Загрузки».
PE3-IG ECU, только зажигание
Номер детали: 91000309
595 долларов США.00
Контроллер только зажигания PE3-IG представляет собой компактную водонепроницаемую систему, которая обеспечивает программируемое электронное зажигание для двигателей от 1 до 8 цилиндров. Контроллер поддерживает множество распространенных конструкций кривошипных и кулачковых колес, а также включает в себя сложные функции, такие как бортовая регистрация данных. ЭБУ поставляется с программным обеспечением peMonitor и peViewer.
Получите дополнительную информацию в разделе «Загрузки».
PE3-SP000 ECU, компактный корпус
Номер детали: 91000305
799 долларов.00
Блок управления двигателем PE3-SP000 — это компактная регулируемая система, которая отвечает за подачу топлива и зажигание для двигателей, требующих не более 2 драйверов форсунок и 2 драйверов катушек зажигания. Блок управления двигателем залит пластиковым корпусом и полностью водонепроницаем. Он поставляется с программным обеспечением peMonitor и peViewer.
Получите дополнительную информацию в разделе «Загрузки».
PE3-SP002 ЭБУ, Yamaha YFZ450R Quad
Номер детали: 91000307
699 долларов.00
PE3-SP002 — это блок управления двигателем с системой автоматического впрыска и зажигания для квадроцикла Yamaha YFZ450R. Этот ЭБУ является прямой заменой заводского блока управления двигателем. Он помещен в пластиковый корпус и полностью водонепроницаем. Он поставляется с программным обеспечением peMonitor и peViewer.
Устройства для управления двигателем | SwRI
Southwest Research Institute (SwRI) уже более десяти лет занимается разработкой электронных виджетов для поддержки исследований и разработок силовых агрегатов.Когда семейство специализированных продуктов начало расти, клиент спросил, как мы их называем. Ответ был: «Это просто набор транзисторов». Описательная аббревиатура BOT прижилась.
Каждый модуль BOT ™ разработан с учетом конкретной цели, но поскольку программное обеспечение и ввод / вывод очень гибкие, часто возникают новые применения и функции. Наши самые популярные модули BOT включают:
Converter BOT — это гибкий модуль отслеживания положения двигателя, разработанный специально для преобразования произвольных схем кулачка и кривошипа в стандартные схемы OEM.Обладая двухканальным преобразователем сигнала VR и ПЛИС Xilinx ® , C-BOT может быть сконфигурирован инженерами SwRI для соответствия любому стандартному или индивидуальному шаблону.
Программируемый драйвер инжектора BOT (DI-BOT) — это усовершенствованный драйвер инжектора, способный управлять четырьмя инжекторами и двумя вспомогательными нагрузками с полностью программируемыми формами сигналов тока. Вспомогательные каналы обеспечивают возможность привода таких устройств, как топливные насосы-дозаторы высокого давления. Оптически изолированные входы позволяют любому контроллеру активировать усовершенствованные форсунки.
Dual H-Bridge BOT — это двухканальный модуль драйвера питания.Он использует топологию H-моста и широтно-импульсную модуляцию, что позволяет двигателям или любой нагрузке постоянного тока работать с переменной скоростью, вперед или назад. Модуль содержит две независимые монолитные ИС, которые обеспечивают гибкость и надежную работу при высокой мощности. Типичные применения включают электронное управление корпусом дроссельной заслонки, клапаны с ШИМ-управлением, двунаправленные соленоиды и реверсивные моторные механизмы.
Драйвер нижнего уровня BOT (LSD-BOT) — это усовершенствованный драйвер, способный управлять восемью грузами посредством переключения на нижнюю сторону.LSD-BOT можно настроить для соленоидов, форсунок и катушек зажигания. Входы логического уровня с защитой позволяют любому контроллеру управлять сильноточными слабыми устройствами.
Наша электронная система управления для быстрого создания прототипов (RPECS) — это усовершенствованный программируемый контроллер для пользовательских приложений управления и сбора данных. Система RPECS, созданная на основе более чем 20-летнего опыта испытаний и технологий управления двигателем, является последней в успешной линейке расширяемых, быстро настраиваемых прототипов систем управления с большим количеством входов / выходов.Система RPECS, разработанная с использованием встраиваемых компонентов на базе ПК для достижения максимальной производительности без высоких затрат, способна выполнять сложные алгоритмы управления и сбора данных в реальном времени для решения многих нестандартных приложений.
Программное обеспечение для управления двигателем на основе MATLAB / Simulink ® доступно для ускорения клиентских проектов разработки открытых ЭБУ. SwRI имеет интегрированный опыт многолетних исследований и разработок двигателей, для которых требуются одинаковые базовые функции управления. Эти алгоритмы доступны для работы в любой системе управления, совместимой с Simulink.Исходный код Simulink предоставляется без черных ящиков, поэтому ваша команда может изменять код напрямую или с поддержкой SwRI. Это программное обеспечение обеспечивает базовую возможность управления любой конфигурацией двигателя с воспламенением от сжатия (дизель) или двигателя с искровым зажиганием (бензин). Доступна дополнительная информация и список стандартных функций.
RPECS не только фиксирует каждый датчик и каждый исполнительный механизм в каждом цикле, но также контролирует бортовые диагностические инструменты (OBD) и сканирует трафик CAN, собирая огромные объемы данных в один файл.Наш процесс собирает эталонные наборы данных и может сопоставить их с соответствующими калибровочными таблицами. Наши возможности по сравнительному анализу также охватывают разработку термодинамических двигателей, картографирование двигателя, калибровку OBD, а также спецификации дополнительной обработки выхлопных газов и калибровку выбросов.
Что такое блок управления двигателем и как он работает?
В прошлом двигатели полагались на механические компоненты, чтобы поддерживать их наилучшую работу.
По мере развития и развития технологий все больше и больше производителей обращаются к использованию модулей управления и других электрических компонентов для повышения производительности и эффективности создаваемых ими двигателей.
Сегодня основным компонентом этих систем является блок управления двигателем, или сокращенно ЭБУ.
Об ЭБУ всегда много говорят, но что именно он делает?
Неужели это так важно для работы двигателя? Чтение этого заставит вас заболеть из-за сложных формулировок? Попробуем разбить блок управления двигателем на простые термины.
ЭБУ получает информацию от различных датчиков двигателя, сравнивает эту информацию с заранее заданной программой, выбранной производителем, а затем отправляет выходные данные на свечи зажигания, топливные форсунки и другие компоненты, чтобы двигатель работал с максимальной эффективностью.
Все это происходит сотни раз в секунду, и ЭБУ постоянно отслеживает температуру воздуха, положение двигателя с помощью датчиков положения распределительного и коленчатого валов, а также содержание кислорода в выхлопных газах, одновременно работая над регулировкой воздушно-топливной смеси и момента зажигания. большая часть каждого цикла сгорания.
Это очень простой обзор того, что делает ЭБУ, но что на самом деле представляет собой ЭБУ?
Принцип работы ЭБУ такой же, как у домашнего компьютера или ноутбука.
Он состоит из программного и аппаратного обеспечения, использующего микропроцессор, который может в реальном времени анализировать и обрабатывать информацию, поступающую от различных датчиков, и вносить любые необходимые корректировки.
Сам ECU может быть обновлен или обновлен путем перепрограммирования или обновления программного и аппаратного обеспечения по мере необходимости, хотя обновления программного обеспечения гораздо более распространены, поскольку это не требует каких-либо внутренних изменений в ECU.
Итак, как вся информация, поступающая от датчиков, достигает ЭБУ?
Здесь на помощь приходит система CANBus.CANBus расшифровывается как Controller Area Network Bus, и он разработан, чтобы позволить нескольким модулям управления и датчикам в транспортном средстве связываться и обмениваться информацией друг с другом на суперскоростях.
Информация, такая как частота вращения колес и положение дроссельной заслонки, требуется ряду модулей управления для обеспечения правильной работы автомобиля, а система CANBus позволяет быстро обмениваться этой информацией между необходимыми компонентами.
Эта система используется всеми производителями, поскольку она требуется для бортовой диагностики (OBD) и является обязательным требованием с конца 90-х годов.
Позволяет подключить диагностический прибор к автомобилю и прочитать любые коды неисправностей, хранящиеся в модулях управления, техническим специалистам.
Блок управления двигателем — удивительная часть сложной системы, которая поддерживает работу вашего автомобиля в отличном состоянии без необходимости даже пошевелить пальцем.
Итак, куда я положил этот панадол?
Парт Раваль — 25 января 2016 г.
В определении «электронного регистрирующего устройства (ELD)» скрыта фраза: «модуль управления двигателем (ECM).«Еще одна аббревиатура, которая упоминается, когда поднимается тема соответствия федеральным законам, — ECM — это сердце современных автомобилей. Проще говоря, это компьютеры, управляющие электронными системами в транспортных средствах. Они контролируют работу двигателя, контролируют работу автомобиля и выдают коды неисправностей, когда что-то идет не так. Они срабатывают подушки безопасности при ударе или удерживают подушку безопасности, если вес пассажира слишком мал. Они находятся в центре современных автомобильных операций. И вскоре они будут на радарах каждого автомобильного перевозчика — ECM также находятся в центре мандата ELD.
Чтобы понять, почему ECM занимают центральное место в мандате ELD, важно понимать, какой объем информации могут предоставить предприятиям ECM. Программное обеспечение для управления автопарком живет и дышит диагностической информацией. Благодаря подключению к ECM менеджеры автопарка могут делать гораздо больше, чем считывать коды неисправностей. Они могут определить, когда водитель слишком сильно затормозил, что сигнализирует о небезопасных дорожных условиях. Они могут видеть, сколько топлива израсходовано их автопарком, сидя на светофорах и на стройплощадках.Подключение к ECM разбивает бизнес на простые числа. Он предоставляет необработанные данные, необходимые для продвижения флота вперед.
В разнообразной истории устройств, отвечающих требованиям федерального законодательства, ECM только недавно вступили в разговор. AOBRD или автоматические бортовые записывающие устройства не имеют встроенного соединения с автомобилем. Эти устройства в настоящее время регулируются федеральным правительством и не имеют встроенного метода проверки введенных данных. ELD решат эту проблему, подключившись к ECM автомобиля.Это соединение позволяет ELD автоматически записывать, когда автомобиль трогается с места и останавливается, создавая точный портрет рабочего дня водителя. ELD также предоставляют обширную информацию об использовании топлива автомобилем, потребностях в техническом обслуживании, регулярном и нерегулярном использовании, а также о показателях безопасности. Это выталкивает ELD из его очевидного использования — отслеживания часов работы водителя — в устройство, которое может находиться в центре операций автопарка, так же, как ECM является центром операций транспортного средства.


microchip.com/mymicrochip/filehandler.a
2V ~ 3.6V